Utentra Logo

SERIE U/ARP


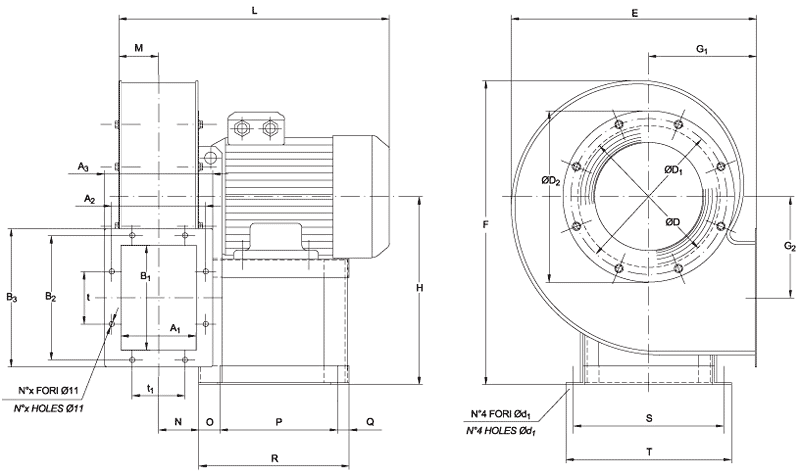
Dimensioni d'ingombro / Overall dimensions

Dimensioni d'ingombro

Dimensioni d'ingombro